ปั๊มหอยโข่ง Volute รุ่น ECD032-26 เป็นปั๊มหอยโข่ง Volute ECD Series (DIN24255/BS EN733) แบบ End Suction ใช้ Bearing Housing 25A มีหน้าแปลน D2/D1 32/50 มม และน้ำหนักประมาณ 58 กก เหมาะกับงานระบบน้ำ งานหมุนเวียน งานส่งถ่าย และงานเพิ่มแรงดัน โดยควรเลือกจุดทำงานให้เหมาะกับระบบ
Specification
- แบรนด์: Volute
- รุ่น: ECD032-26
- ประเภทสินค้า: ปั๊มหอยโข่งแบบ End Suction
- ซีรีส์: ECD Series DIN24255/BS EN733
- Bearing Housing: 25A
- ขนาดหน้าแปลน D2/D1: 32/50 มม
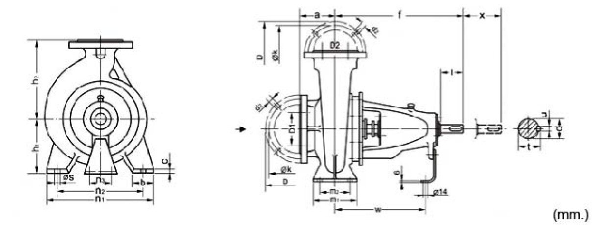
- มิติ a/f: 100/360 มม
- มิติ h1/h2: 180/225 มม
- มิติฐาน b/c: 65/14 มม
- ระยะ m1/m2: 125/95 มม
- ระยะ n1/n2: 320/250 มม
- น้ำหนักสุทธิประมาณ: 58 กก
- มาตรฐานหน้าแปลน: PN16
- หน้าแปลน D2 32 มม: ØD 140 มม, ØK 100 มม, รูยึด Ø18 x 4
- หน้าแปลน D1 50 มม: ØD 165 มม, ØK 125 มม, รูยึด Ø18 x 4

ภาพมิติสำหรับตรวจสอบพื้นที่ติดตั้งและแนวท่อของปั๊ม
การใช้งาน
เหมาะกับงาน Air Conditioning, Fire Protection, Plumbing, Circulating, Transfer, Pressure Boosting, Cooling Towers, Irrigation และ Water Treatment โดยควรเลือกรุ่นให้ตรงกับอัตราการไหลและเฮดของระบบ

กราฟสมรรถนะ 1450 rpm

กราฟสมรรถนะ 2900 rpm

ภาพโครงสร้างปั๊ม
การดูแลรักษา
ตรวจสอบแนวศูนย์ของชุดขับ ความแน่นของหน้าแปลน ซีล และแบริ่งตามรอบการใช้งาน พร้อมตรวจสอบว่าจุดทำงานยังอยู่ในช่วงที่เหมาะสมของระบบ
FAQ 5 ข้อ
1. รุ่น ECD032-26 เหมาะกับงานแบบไหน
เหมาะกับงานส่งน้ำ งานหมุนเวียน งานส่งถ่าย และงานเพิ่มแรงดันในระบบที่ต้องการปั๊มหอยโข่งแบบ End Suction
2. รุ่นนี้ใช้หน้าแปลนขนาดเท่าไร
รุ่นนี้ใช้หน้าแปลน D2/D1 ขนาด 32/50 มม ตามมาตรฐาน PN16
3. ก่อนติดตั้งควรตรวจสอบอะไรบ้าง
ควรตรวจสอบขนาดหน้าแปลน มิติติดตั้ง a, f, h1, h2 รวมถึงระยะฐาน m1, m2, n1 และ n2 ให้ตรงกับหน้างาน
4. จะดูกราฟ 1450 rpm และ 2900 rpm อย่างไร
ควรใช้กราฟสมรรถนะเพื่อเทียบอัตราการไหลและเฮดที่ต้องการของระบบ แล้วเลือกรุ่นให้เหมาะกับจุดทำงานจริง
5. ก่อนสั่งซื้อควรเช็กอะไรเพิ่ม
ควรเช็กขนาดท่อ หน้าแปลน พื้นที่ติดตั้ง น้ำหนักปั๊ม และจุดทำงานของระบบ เพื่อให้เลือกรุ่นได้ตรงกับการใช้งานมากที่สุด


